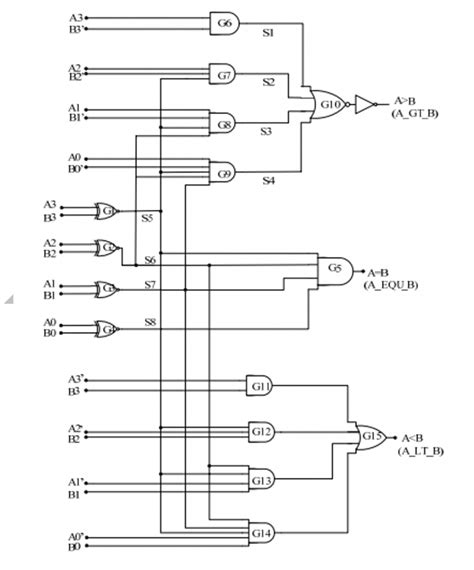
4 Bit Comparator Circuit

4 Bit Comparator Circuit. It consists of eight inputs each for two. 9 days ago add members.

How to Design a 4 bit Magnitude Comparator Circuit? Explanation with
How to Design a 4 bit Magnitude Comparator Circuit? Explanation with from eevibes.com

Web february 16, 2023 asma mushtaq how to design a 4 bit magnitude comparator circuit? With our easy to use simulator interface, you will be building circuits in no time. Explanation with circuit diagram #4bitcomparator #magnitudecomparator.

9 Days Ago Add Members.


9.1k views 3 years ago. A = b when, a3=b3,a2=b2,a1=b1,a0=b0. Web edaboard.com is an international electronics discussion forum focused on eda software, circuits, schematics, books, theory, papers, asic, pld, 8051, dsp,.

With Our Easy To Use Simulator Interface, You Will Be Building Circuits In No Time.


What is the magnitude comparator circuit? Web 63k views 3 years ago digital electronics / logic design. A>b when, a3>b3 or a3=b3 and a2>b2 or a3=b3.

Web Explore Digital Circuits Online With Circuitverse.


Explanation with circuit diagram #4bitcomparator #magnitudecomparator. Web 4 bit comparator circuit. It consists of eight inputs each for two.

Web February 16, 2023 Asma Mushtaq How To Design A 4 Bit Magnitude Comparator Circuit?


Web with 4 bit magnitude comparator logic circuit diagrams, circuit designers can easily visualize and understand the components that make up this important.